Stort och omfattande produktsortiment
Grundfos CRE 15-3
Artikelnummer: 656060
2 500,00 kr
Använda för bland annat: Industriell processvattenbehandling, bevattning, kommunal vattenförsörjning, industriellt spillvatten och mycket mer.

Konkurrenskraftiga priser
Snabb leverans över hela Norden
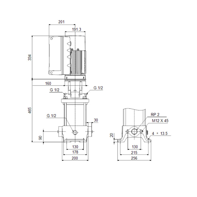
Produktinformation
Den vertikala flerstegs centrifugalpumpen är konstruerad med inlopps- och tryckportar placerade på samma nivå (inline), vilket ger en kompakt och effektiv installation. Pumpens hus och bas är tillverkade i gjutjärn, medan alla vätskeberörda komponenter består av rostfritt stål för ökad hållbarhet och korrosionsbeständighet. En patrontätning bidrar till hög driftsäkerhet, trygg drift och enkel serviceåtkomst.
Kraftöverföringen sker via en delad koppling, och pumpen drivs av en tre-fas fläktkyld synkron permanentmagnetmotor. Motorn har en verkningsgrad enligt IE5-standard (IEC 60034-30-2), vilket innebär mycket hög energieffektivitet. I motorns kopplingsbox finns både en integrerad frekvensomriktare och en PI-regulator, vilket möjliggör steglös justering av motorvarvtalet för att optimera pumpens prestanda efter aktuellt behov. En manöverpanel på kopplingsboxen gör det enkelt att ställa in börvärden och välja driftlägen som ”Min.”, ”Max.” eller ”Stopp”.
| Artikelnummer | 656060 |
|---|---|
| Grundfos artikelnummer | 93149094 |
| Typ | CRE 15-3 |
| Material | Gjutjärn, Rostfritt stål |
| Nominellt flöde | 21.61 m³/h |
| Nominrellt tryck | 48.34 m |
| Max. driftstryck | 10 bar |
| Anslutning | 2" |
| Effekt | 4 kW |
| Bruttovikt | 80 kg |
| Nettovikt | 58 kg |
